氧氣連續在線分析系統
系統型號:AGP200/AGP300/AGP500

AGP200/AGP300系統功能
1、選用電化學式氧氣分析儀,量程0296VOL/0-596VOL/0-1096VOL/0-25%/0-3096VOL可選,報警值可自由
設定。
2、根據現場工藝參數設計定制化的預處理系統,采用洗氣、冷凝、過濾、干橫等措施去除水、雜質、有機洛
劑等對傳感器的影響。
3、可選配電磁閥、交流接觸器、聲光報警器等聯鎖裝置,當氧氣濃度超過預設報警值時,可實現報警提醒、
自動充氮置換或停機保護等功能。

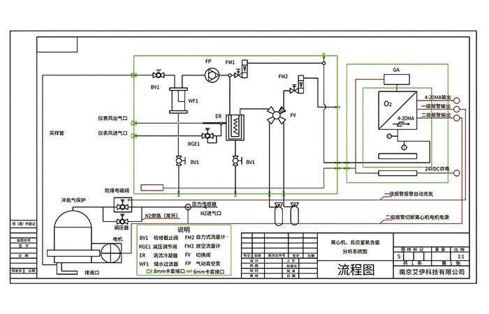
AGP5OO 系統功能
AGP500型氧氣在線分析儀系統用于離心機反應第內氧含量在線監測,反應等在投有易燃易爆物時,氧含
系統功能量的控制對于安全生產至關重要,當氧含量超標時,實現預警提醒等功能,保障生產安全。

1、選用電化學式氧氣分析儀,量程0.29%V0L/0596VOL/0-1096VOL/0.256VOL可選,報警值可自由設定。
2、根據現場工藝參數設計定制化的預處理系統,采用洗氣、冷凝、過濾、干燥等措施去除水、雜質、有機溶
劑等對傳感器的影響。
3、可選配電磁閱、交流接觸器、聲光報警器等聯鎖裝置,當氧氣濃度蹈過預設報警值時,可實現報警提醒、
自動充氮置換或停機保護等功能。
4、具有4-20mA等標準輸出信號,可兼容各類PLC/DCS系統。
5、承重滑輪,靜音設計,堅固耐用。可以輕松移動分析儀設備,無儒固定安裝點,減少前端采樣管路或供電
電路。
6、可充電鋰電池,一次充滿,正常使用時長大于24小時,同時配有防爆箱,使用更安全。
咨詢:氧氣連續在線分析系統